サブバナ―背景画像

EcoMac シリーズ

ITEMS

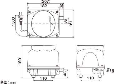
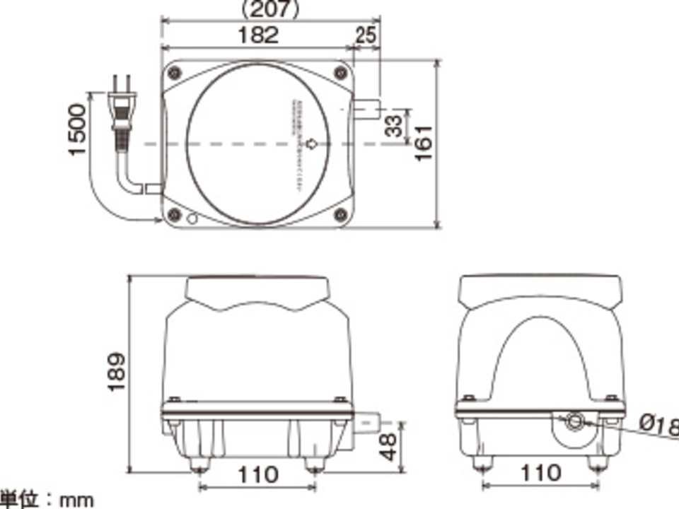
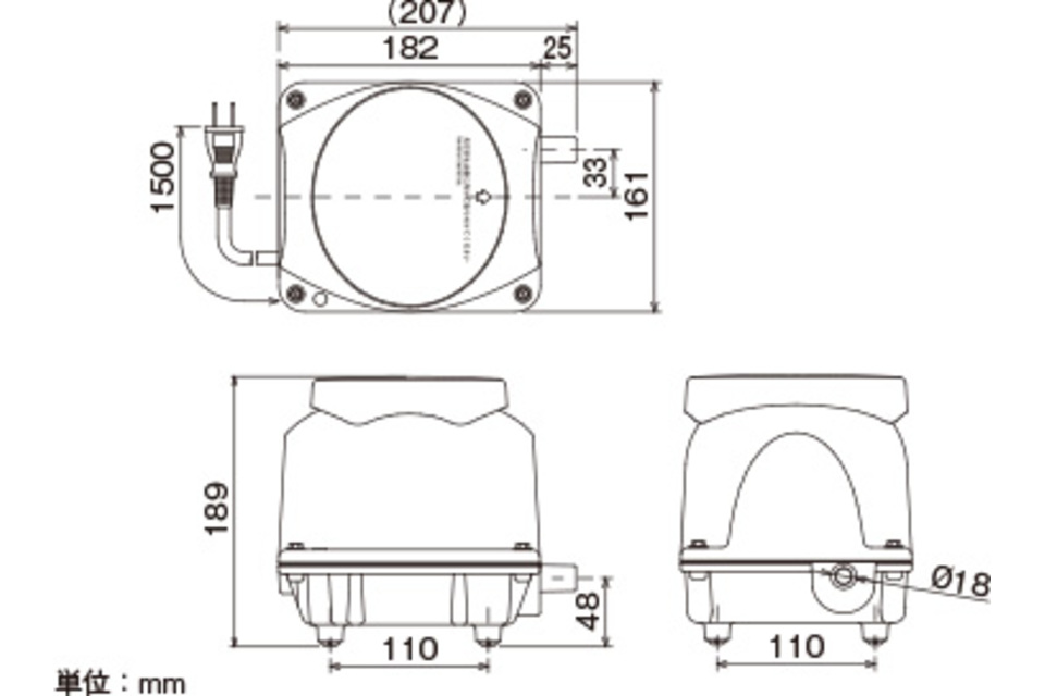
EcoMac60/80/100/120

  • EcoMac60/80/100/120の商品画像00
  • EcoMac60/80/100/120の商品画像01
  • EcoMac60/80/100/120の商品画像02
  • EcoMac60/80/100/120の商品画像03

汎用ブロワ[アースレス]
様々な浄化槽に対応。
トップクラスの省エネと静音性を誇る、安心と信頼のブロワです。
24時間動き続けるものだから省エネ性にこだわりました。
信頼性を高めたオートストッパー内蔵(特許取得)。コンパクトボディの超省エネブロワ。

超省エネ

超省エネの画像

EcoMacはタンク構造の変更やマルチバルブ化(EcoMac60~300)により圧力損失を改善し、従来機種に比べ省エネとなりました。
※電気料金は新電気料金目安単価27円/kWhで計算。この単価は標準的な家庭使用量(295kWh)の場合であり、ご家庭の月間総消費電力により単価は変わります。
※150L/min、200L/minは50Hzの条件での比較です。

新塗装技術の導入

新塗装技術の導入の画像

塗膜の傷や、材質のアルミダイキャストの腐食から発生する塗装はがれを防止するため、2016年10月より塗装仕様を刷新し、塗装の密着性、耐久性を大幅に向上させました。

品質管理

品質管理の画像

開発されたブロワは、試験水槽で負荷をかけながら5年以上の耐久試験を実施しています。また、製造されたブロワは、風量・消費電力・電流値を全数検査することで、品質管理の徹底を図っています。

オートストッパー機能搭載(特許取得)

万が一、ダイアフラムが破損した場合でも、自動的に運転を停止させるオートストッパーによって、故障の拡大を防止します。
復帰も簡単におこなえます。
※EcoMac30/40はオートストッパーはありません。

音が静か

本体カバーは遮音性に優れた材質・形状を採用し、防振ゴムの品質向上、最適な空気流路設計により空気の振動音などを大幅に抑え、従来型に比べて低騒音化を実現しています。

アースレス

適正な絶縁材の配置で二重絶縁構造に適合し、120Lまでアース工事が不要となりました。(電気用品安全法に基づく技術基準に適合)

脈動が少ない

ポンプからの脈動によって浄化槽が振動し、騒音につながることがあります。そこでブロワの構造を工夫し、効率的な流路構造とすることで、脈動を軽減しました。